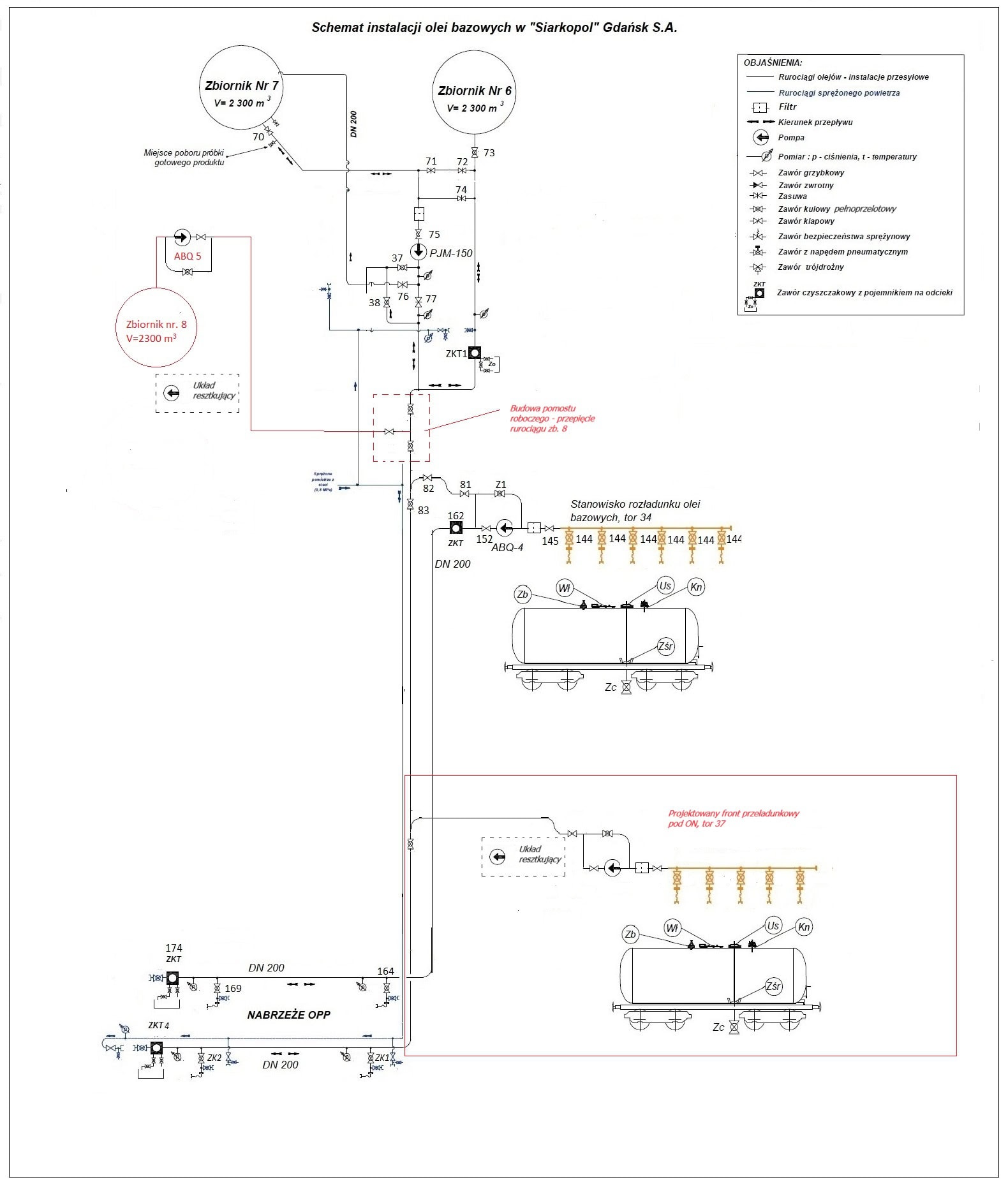
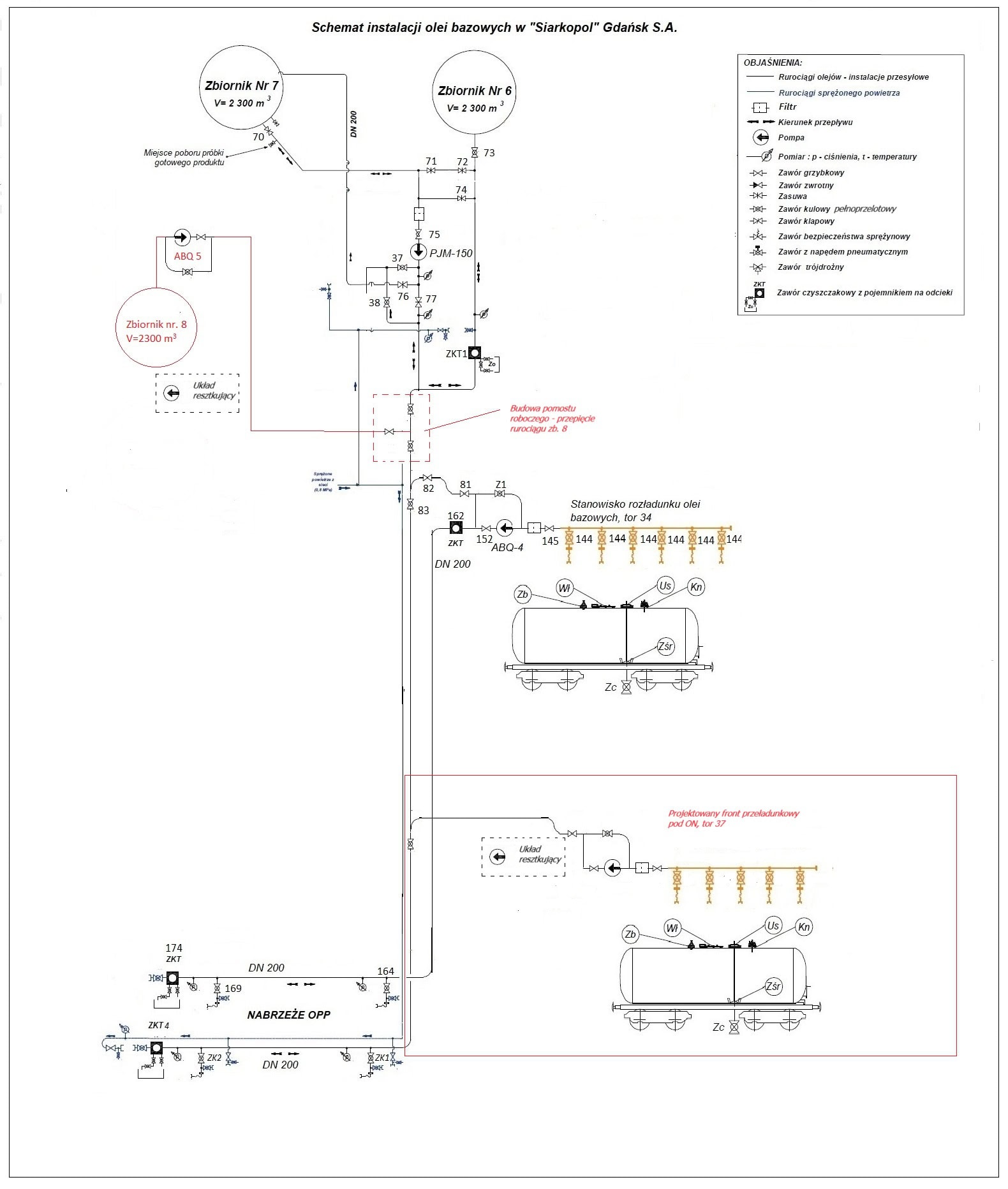
Procurement: design - adaptation of new transhipment relations for MGO/ON class III products within the existing infrastructure on the site of „SIARKOPOL” Gdańsk S.A”.

„SIARKOPOL” Gdańsk S.A. invites you to participate in the proceedings - the subject of which is the execution of the Order covering the design - adaptation of new reloading relations of MGO/ON class III products within the existing infrastructure on the premises of „SIARKOPOL” Gdańsk S.A.”.

The deadline for the submission of tenders is 17.04.2026 at 10.00 am.

Order details:

2026_03_06_SWZ_SwitchON

2026_03_06_printing pp-2

2026_03_06_Offer form

 

Procurement: Design and construct the task entitled „Execution of design works and extension of the fire-fighting installation on the premises of „SIARKOPOL” Gdańsk S.A.”.”

„SIARKOPOL” Gdańsk Joint Stock Company with its registered office in Gdańsk invites you to submit an offer for the execution of the Order covering: Design and construct the task entitled „Execution of design works and extension of fire protection systems on the premises of „SIARKOPOL” Gdańsk S.A.”.”

Order details:

ToR_ppoz

Procurement of modernisation/repair works for clarifier No. 2 at the wastewater treatment plant at „SIARKOPOL” Gdańsk S.A.

„SIARKOPOL” Gdańsk Spółka Akcyjna with its registered office in Gdańsk hereby invites you to submit an offer for the execution of the Order covering the execution of modernisation/repair works of the clarifier no. 2 at the sewage treatment plant of „SIARKOPOL” Gdańsk S.A.

Order details:

Ordering ToR - Drain No. 2 - 12.2025

Construction diagram of the clarifier

Technological diagram of the clarifiers